Our racking upright frame roll forming machine is built to produce sturdy racking designed with smooth edges for safer mounting and application along with longer service life.
Specifications| The Line's Specifications | |
| Weight | About 10000kgs |
| Whole line's dimension | About 25m × 2m × 1.6m (length × width × height) |
| Color | Main color: blue |
| Warning color: yellow | |
| Suitable Raw Material | |
| Material | Galvanized or Galvalume Coils |
| Thickness | 2.0-2.5mm |
| Coil width | 238mm |
| Yield strength | 235MPa |
| Main Technical Parameters | |
| Quantity of stations | 22-26 |
| Diameter of roll shafts | 82mm |
| Roll forming speed | 8-10m/min |
| Production speed | 4-6m/min |
| Forming roller material | CR12 mold steel, with quench heat treatment |
| Cutter material | CR12 mold steel, with quench heat treatment |
| Control system | PLC and converter |
| Electric power requirement | Main motor power: 15kw |
| Hydraulic unit motor power: 7.5kw | |
| Electric voltage | According to customer's requirement |
| Main Components | |
| De-coiler (manual and automatic for options) | 1 set |
| Guiding device | 1 set |
| Leveling system | 1 set |
| Punching system | 1 set |
| Roll forming system | 1 set |
| Hydraulic cutting system | 1 set |
| PLC control box | 1 set |
| Hydraulic unit | 1 set |
| Run outs tables | 1 set |
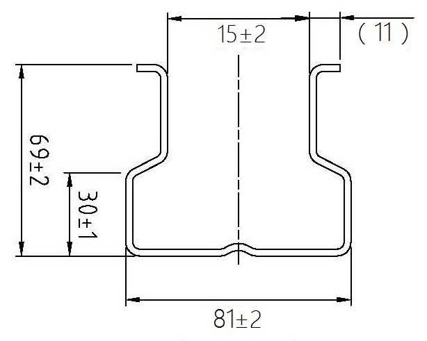
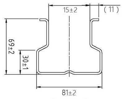
You Can Choose the Common Profiles Below or You Can Customized
Gallery


Design and Manufacture Metal Rollforming System to Meet All Your Needs